- Характеристики
- Відгуків (0)
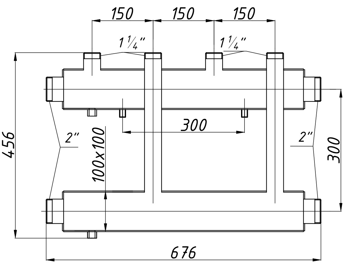
Артикул termojet4-К-22-В-150-300
З кожного вашого замовлення відправляємо відсоток на потреби армії.Допомагаємо ЗСУ разом! Вперед до перемоги 🇺🇦
у менеджерів
у менеджерів
Виробник:
TermojetМодель:
К22В.150(300) 175кВт, 2+1
- К22В.125(200) 72кВт, 2+1
- К32В.125(200) 72кВт, 3+1
- К42В.125(200) 72кВт, 4+1
- К52В.125(200) 72кВт, 5+1
- К22В.125(240) 105кВт, 2+1
- К32В.125(240) 105кВт, 3+1
- К42В.125(240) 105кВт, 4+1
- К52В.125(240) 105кВт, 5+1
- К22В.150(300) 175кВт, 2+1
- К32В.150(300) 175кВт, 3+1
- К42В.150(300) 175кВт, 4+1
- К52В.150(300) 175кВт, 5+1
- К22В.125(150) 40кВт, 2+1
11 160 грн
Рекомендовані товари
0
Код: termojet-kolektor-odnobalkovuy-mono-72-3-1-vn-125-100
Колектор однобалковий Termojet К31ВН.125 (100) без теплоізоляції 2вгору + 1вниз
-
Виробник:
Termojet
-
Модель:
від К31ВН.125(100) 72кВт,2+1
від 4 415 грн
0
Код: termojet-kolektor-odnobalkovuy-mono-izol-72-3-1-vn-125-100
Колектор однобалковий Termojet К31ВН.125 (100) в теплоізоляції 2вгору + 1вниз
-
Виробник:
Termojet
-
Модель:
від К31ВН.125(100) 72кВт,2+1
від 6 275 грн
- Характеристики
- Відгуків (0)
Розподільні колектори з виходами вгору Termojet К22В.150(300) є ідеальним вибором для ефективного та раціонального розподілу тепла у системах опалення. Ці інноваційні пристрої забезпечують рівномірне та ефективне розподілення гарячої води до радіаторів або теплообмінників, забезпечуючи комфортне опалення в усіх приміщеннях.
Колектор Termojet К22В.150(300) укомплектований кріпленням до стіни. Міжосьова відстань патрубків підключення контуру споживача тепла дорівнює 150 мм.

Переваги використання розподільних колекторів Termojet:
- нейтралізація стрибків тиску
- пом'якшення гідроударів
- продовження терміну служби всіх елементів опалювальної системи

Однією з головних переваг розподільних колекторів з виходами вгору Termojet є їх висока ефективність. Вони розроблені з урахуванням оптимального розподілу тепла, що дозволяє максимально використовувати теплову енергію та забезпечити ефективне опалення. Завдяки своїй конструкції з виходами вгору, колектори Termojet створюють стійкий потік гарячої води, який розподіляється рівномірно по всій системі опалення.
Ще одною перевагою розподільних колекторів Termojet є їх гнучкість та простота монтажу. Вони доступні у різних розмірах та конфігураціях, що дозволяє їх легко адаптувати до різних систем опалення. Колектори Termojet також мають вбудовані клапани регулювання та запірні пристрої, що спрощує процес налаштування та обслуговування системи.
Значною перевагою розподільних колекторів з виходами вгору Termojet є їх економічність. Вони дозволяють точно контролювати температуру в кожній зоні опалення, забезпечуючи оптимальне використання теплової енергії та зниження витрат на опалення. Крім того, використання розподільних колекторів з виходами вгору дозволяє зменшити гідродинамічні опори та забезпечити ефективну роботу всієї системи.
Отже, розподільні колектори з виходами вгору Termojet є ідеальним рішенням для оптимального розподілу тепла в системах опалення. Вони поєднують в собі ефективність, гнучкість та економічність, дозволяючи вам насолоджуватись комфортним та ефективним опаленням у вашому будинку. Зверніться до фахівців сьогодні, щоб отримати детальнішу інформацію про розподільні колектори Termojet та їх переваги для вашої системи опалення.
| Основні характеристики | ||
|---|---|---|
| Бренд | Termojet |
|
| Країна виробник | Україна |
|
| Тип обладнання | Колектори |
|
| Ізоляція | Так |
Технічні характеристики |
| Потужність | кВт |
175 (ΔT=10°C) 350 (ΔT=20°С) |
| Вага | кг |
- |
| Підключення до котла | “ |
2 |
| Підключення до контуру опалення | “ |
1 1/4 |
| Кількість контурів опалення | шт |
2+1 |
| Gmax | м3/год |
17.5 |
| Розташування виходів колектора | Вгору |
Тут ви можете прочитати відгуки про товар або поділитися своїм фідбеком про нього
Способы оплаты
Наличная
Оплата наличными возможна только при покупке в Киеве или Киевской области, а также в наших представительствах в регионах Украины (уточняйте у менеджеров). Оплата производится исключительно в национальной валюте по курсу определенному на момент заказа.В подтверждение оплаты мы выдаем Вам товарный чек.
Безналичная
Оплата по безналичному расчету осуществляется следующим способом: после оформления заказа, менеджер магазина электронной почтой вышлет Вам счет- фактуру, который Вы сможете оплатить в кассе отделения любого банка или с расчетного счета Вашей фирмы. Для юридических лиц пакет всех необходимых документов предоставляется вместе с товаром.
Наложенным платежом службами доставки (Новая Почта, Интайм)
Оплата производится в отделении службы доставки наличным или безналичным расчетом после получения и проверки товара.
Способы оплаты
Мы можем доставить товар в Ваш город наиболее удобной для Вас службой перевозки, а именно Новая Почта, Интайм, Деливери, Мист Экспресс.
Стоимость доставки расчитывается согласно тарифам перевозчика, а также обговаривается индивидуально в зависимости от Вашего заказа.
При покупке на сумму от 10000 грн доставка по Украине Бесплатная
Підпишись на розсилку
Отримуйте останні новини
про акційні пропозиції на e-mail
* Оформляючи підписку ви даєте згоду на обробку персональних даних

