- Характеристики
- Відгуків (0)
- Інструкція
Артикул
З кожного вашого замовлення відправляємо відсоток на потреби армії.Допомагаємо ЗСУ разом! Вперед до перемоги 🇺🇦
у менеджерів
у менеджерів
- Характеристики
- Відгуків (0)
- Інструкція
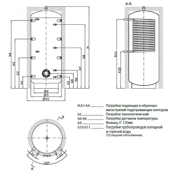
Теплоаккумулятор Теплобак ВТА-2 застосовується в поєднанні з різними джерелами тепла (твердопаливні, газові, електричні котли, сонячні колектори і т.д.) для накопичення і збереження тепла і його використання на потреби гарячого водопостачання.
Даний бак можна купити в обсязі від 400 до 2000 л.
Акумулююча ємність ВТА-2 розроблена для накопичення теплової енергії з функцією непрямого нагріву води. У верхній частині бака розташований теплообмінник з нержавіючої сталі. Так як гаряча вода готується в проточному теплообміннику, виключається утворення бактерій легіонел.
Матеріал бака - високоякісна чорна сталь, яка стійка до агресивних середовищ.
Завдяки наявності 9 фланців, акумулюючі ємності Теплобак можна підключити до великої кількості джерел теплової енергії, як до традиційних, так і до альтернативних. Поєднання декількох джерел теплової енергії покращує ефективність всієї системи опалення та позитивно впливає на роботу окремо взятих джерел тепла.
Переваги теплоакумуляторов Теплобак ВТА-2
Матеріал теплообмінника - гладка нержавіюча сталь
Великий вибір баків в залежності від необхідної продуктивності
Наявність ревізійного фланця в стандартній комплектації
Система розшарування теплоносія
9 патрубків
Товщина стінок від 3 мм
Матеріал теплоізоляції - поліестер товщиною 90 мм
Можливість установки ТЕНа
Тут ви можете прочитати відгуки про товар або поділитися своїм фідбеком про нього
Способы оплаты
Наличная
Оплата наличными возможна только при покупке в Киеве или Киевской области, а также в наших представительствах в регионах Украины (уточняйте у менеджеров). Оплата производится исключительно в национальной валюте по курсу определенному на момент заказа.В подтверждение оплаты мы выдаем Вам товарный чек.
Безналичная
Оплата по безналичному расчету осуществляется следующим способом: после оформления заказа, менеджер магазина электронной почтой вышлет Вам счет- фактуру, который Вы сможете оплатить в кассе отделения любого банка или с расчетного счета Вашей фирмы. Для юридических лиц пакет всех необходимых документов предоставляется вместе с товаром.
Наложенным платежом службами доставки (Новая Почта, Интайм)
Оплата производится в отделении службы доставки наличным или безналичным расчетом после получения и проверки товара.
Способы оплаты
Мы можем доставить товар в Ваш город наиболее удобной для Вас службой перевозки, а именно Новая Почта, Интайм, Деливери, Мист Экспресс.
Стоимость доставки расчитывается согласно тарифам перевозчика, а также обговаривается индивидуально в зависимости от Вашего заказа.
При покупке на сумму от 10000 грн доставка по Украине Бесплатная
Підпишись на розсилку
Отримуйте останні новини
про акційні пропозиції на e-mail
* Оформляючи підписку ви даєте згоду на обробку персональних даних


